| 廠商名稱 | 產品名稱 | 產品訂貨號 | 貨期(周) | 產品價格 |
|---|---|---|---|---|
| 中國 | 剪切梁式傳感器 | A631786 | 洽詢 | 洽詢 |
|
額定載荷 Rated capacities(Emax) |
1.5,2.5,4,5,7.5,10t |
|
靈敏度 Sensitivity |
1.2±0.002mv/v |
|
綜合誤差 Total error |
±0.2﹪F.S |
|
蠕變(30分鐘)Creep(30min) |
±0.05﹪F.S |
|
零點平衡 Zero balance |
±1﹪F.S |
|
零點溫度影響 TCO |
±0.03﹪F.S/10℃ |
|
輸出溫度影響 TC SPAN |
±0.03﹪F.S/10℃ |
|
輸入阻抗 Input resistance |
750 ±10Ω |
|
輸出阻抗 Output resistance |
702 ±3Ω |
|
絕緣電阻 Insulation resistance |
≥5000MΩ |
|
溫度補償范圍 Temperature range,compensated |
-10~+40℃ |
|
工作溫度范圍 Temperature range,operating |
-30~+70℃ |
|
安全過載 Maximum safe overload |
150﹪F.S |
|
極限過載 Ultimate overload |
300﹪F.S |
|
推薦激勵電壓 Excitation,recommend |
10~12V DC |
|
最大激勵電壓 Excitation,maximum |
15V DC |
|
防封等級 Protection Class |
IP68 |
|
材質 Construction |
合金鋼Alloy Steel |
|
電纜 Cable |
Length=L: 2m Diameter: Φ6mm |

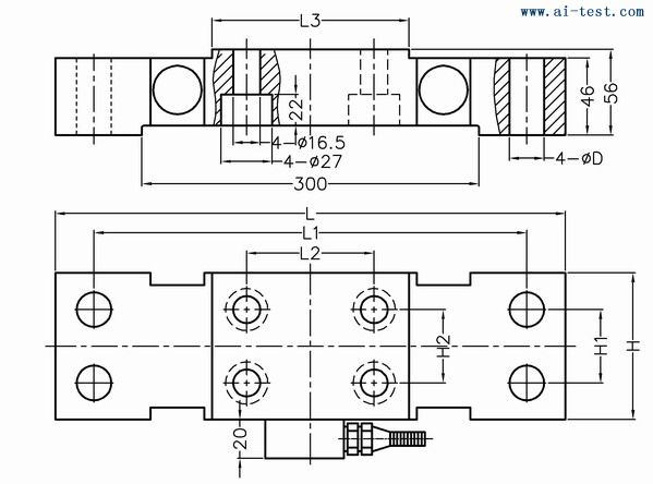
對應尺寸(mm):
|
量程(t) |
L |
L1 |
L2 |
L3 |
H |
H1 |
H2 |
D |
|
1.5 |
350 |
310 |
100 |
152 |
75 |
38 |
40 |
Φ17 |
|
2.5 |
410 |
355 |
130 |
182 |
100 |
50 |
60 |
Φ21 |
|
4~10 |
410 |
355 |
160 |
212 |
100 |
50 |
60 |
Φ21 |
| 產品訂貨號 | 產品介紹 | 符合標準 | 最小訂量 | 價格 | 貨期 | 備注 |
| A631786 | 剪切梁式傳感器:額定載荷 Rated capacities(Emax):1.5,2.5,4,5,7.5,10t;靈敏度 Sensitivity:1.2±0.002mv/v;綜合誤差 Total error:±0.2﹪F.S;蠕變(30分鐘)Creep(30min):±0.05﹪F.S;零點平衡 Zero balance:±1﹪F.S;零點溫度影響 TCO:±0.03﹪F.S/10℃;輸出溫度影響 TC SPAN:±0.03﹪F.S/10℃;輸入阻抗 Input resistance:750 ±10Ω;輸出阻抗 Output resistance:702 ±3Ω;絕緣電阻 Insulation resistance:≥5000MΩ;溫度補償范圍 Temperature range,compensated:-10~+40℃;工作溫度范圍 Temperature range,operating:-30~+70℃;安全過載 Maximum safe overload:150﹪F.S;極限過載 Ultimate overload:300﹪F.S;推薦激勵電壓 Excitation,recommend:10~12V DC;最大激勵電壓 Excitation,maximum:15V DC;防封等級 Protection Class:IP68;材質 Construction:合金鋼Alloy Steel;電纜 Cable:Length=L: 2m、Diameter: Φ6mm,;品牌:中國 | 1 | 洽詢 | 洽詢 | 備注 |
![]() | ![]() | 產品名稱 | 產品訂貨號 | 簡要說明 | 送貨時間 | 價格 | 搜索關鍵字 | |||||||
![]() |
SBC剪切梁式傳感器 | A601689 |
洽詢 | 洽詢 |
梁式稱重傳感器 平行梁式稱重傳感器 懸臂梁式傳感器 懸臂梁式稱重傳感器 |
|||||||||
![]() |
SBH剪切梁式傳感器 | A601690 |
洽詢 | 洽詢 |
梁式稱重傳感器 平行梁式稱重傳感器 懸臂梁式傳感器 懸臂梁式稱重傳感器 |
|||||||||
![]() |
SBS剪切梁式傳感器 | A601691 |
洽詢 | 洽詢 |
梁式稱重傳感器 平行梁式稱重傳感器 懸臂梁式傳感器 懸臂梁式稱重傳感器 |
|||||||||
![]() |
SBT剪切梁式傳感器 | A601692 |
洽詢 | 洽詢 |
梁式稱重傳感器 平行梁式稱重傳感器 懸臂梁式傳感器 懸臂梁式稱重傳感器 |
|||||||||
![]() |
SB系列稱重傳感器 | A601693 |
洽詢 | 洽詢 |
梁式稱重傳感器 平行梁式稱重傳感器 懸臂梁式傳感器 懸臂梁式稱重傳感器 |
|||||||||
![]() |
SBD雙剪切梁式傳感器 | A601694 |
洽詢 | 洽詢 |
梁式稱重傳感器 平行梁式稱重傳感器 懸臂梁式傳感器 懸臂梁式稱重傳感器 |
|||||||||
![]() |
IL彎曲梁式傳感器 | A601698 |
洽詢 | 洽詢 |
梁式稱重傳感器 平行梁式稱重傳感器 懸臂梁式傳感器 懸臂梁式稱重傳感器 |
|||||||||
![]() |
彎曲梁式傳感器 | A601704 |
洽詢 | 洽詢 |
梁式稱重傳感器 平行梁式稱重傳感器 懸臂梁式傳感器 懸臂梁式稱重傳感器 |
|||||||||
![]() |
ZY剪切梁式傳感器 | A601707 |
洽詢 | 洽詢 |
梁式稱重傳感器 平行梁式稱重傳感器 懸臂梁式傳感器 懸臂梁式稱重傳感器 |
|||||||||
![]() |
剪切梁式傳感器 | A631781 |
額定載荷 Rated capacities(Emax) 1,2,3,5,10,15… | 洽詢 | 洽詢 |
懸臂梁式稱重傳感器 懸臂梁傳感器 懸臂梁稱重傳感器 |
||||||||